Tracker 101: intro to the BRAKE warning indicator
A number of instrument panel warning lights illuminate when the key is turned to ON.
One that doesn't is the BRAKE warning indicator.
If the BRAKE warning lamp does illuminate, one of these 3 conditions exists.
1. The hand brake is not fully released.
2. The brake fluid is low.
3. The key is in the START position.
The ground from the hand brake switch is also used to inhibit the DRL's with the car in daylight and the engine running. If the hand brake switch was
jumpered or wired directly to the BRAKE warning light (instead of relayed by the DRL module), the brake fluid switch could inadvertently inhibit the DRL's.
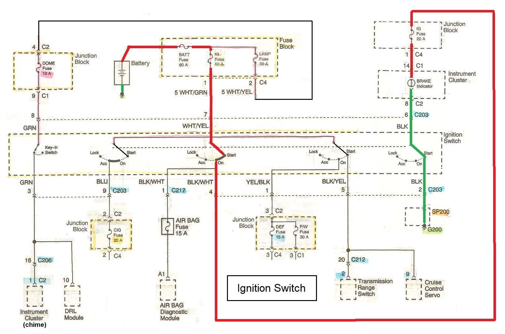
The START circuit serves as the lamp test for the BRAKE warning indicator. The ignition switch (above) is drawn in the START position to show the path for power and ground to the BRAKE
warning indicator. When the key springs back to the ON (run) position the BRAKE warning light extinguishes because the ground is removed from the indicator light.
Last edited by L84sky; Dec 28, 2020 at 3:42 AM.
Thread
Thread Starter
Forum
Replies
Last Post
bkordrs
Silverado, Sierra & Fullsize Pick-ups
4
May 15, 2011 11:05 AM
ubique
Silverado, Sierra & Fullsize Pick-ups
5
Mar 25, 2008 3:31 PM



