Tracker 101: intro to the power window switches
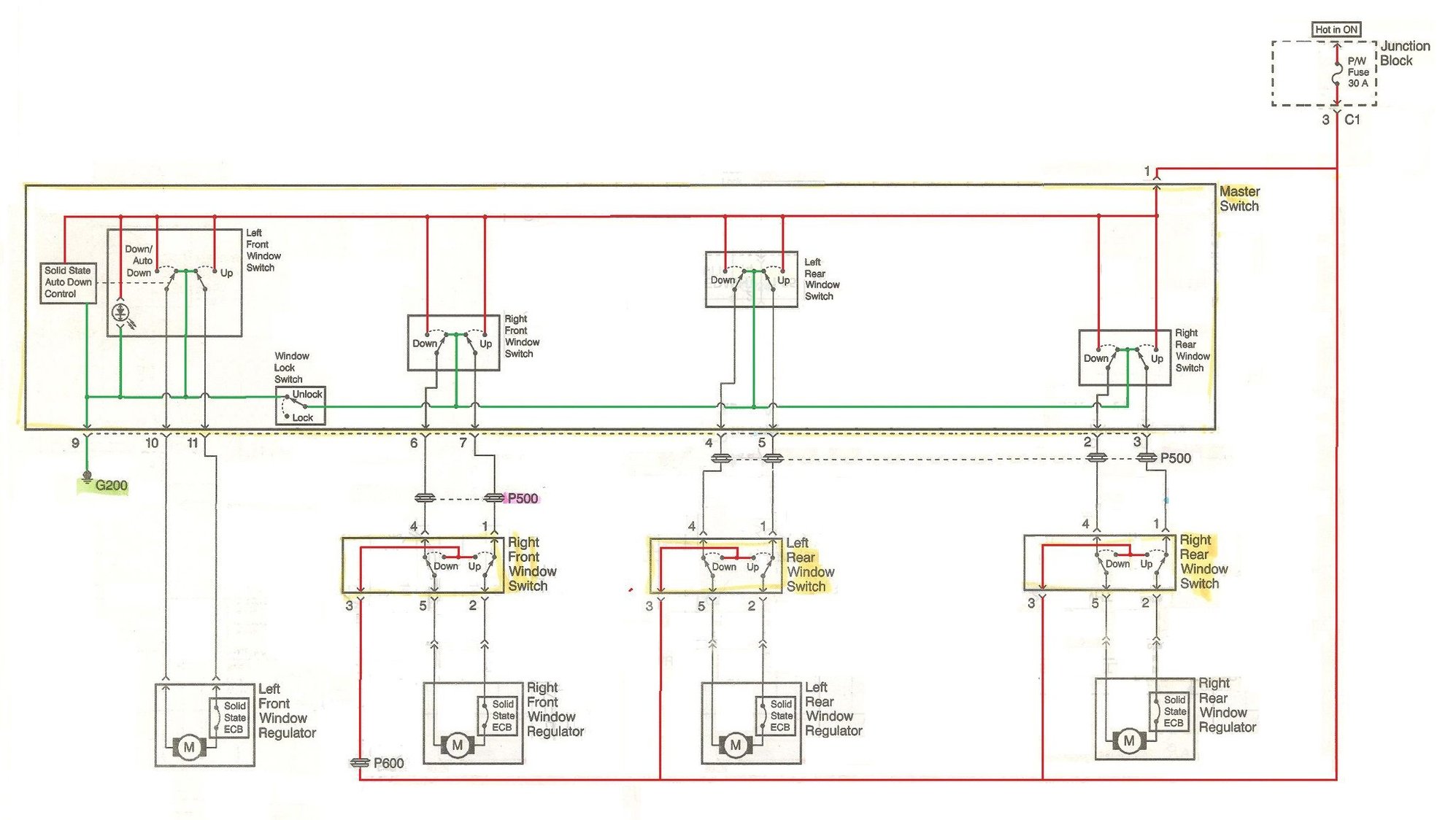
This is a simplified drawing of the power window switches on a 4-door Tracker.
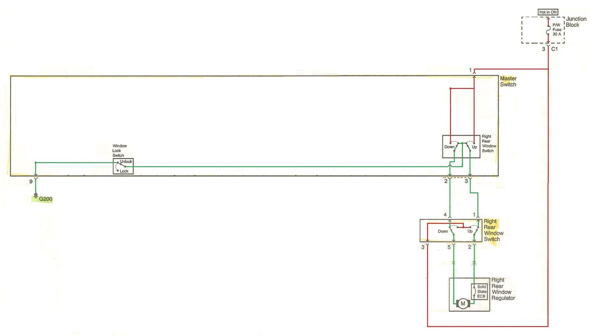
Isolate the diagram to just the right rear set of window switches.
At rest, the master switch and the door switch direct a ground signal to both sides of the motor. With no difference in potential, no current flows through the motor and the window is motionless.
By moving the rear door switch to the DOWN position, 12 volts is applied to the left side of the motor while ground is still applied to the right. Current flows from left to right through the motor
and the window goes down. When current flows right to left through the motor, the window goes up. Assume dad is commanding the window UP from the master switch and at the same time
Junior is commanding the window DOWN from the door switch. Will the window go UP, DOWN, STOP or blow a fuse?
Dad's action will supply 12 volts to the right side of the motor. Junior's actions will supply 12 volts to the left side. With no difference of potential, no current flows through the motor and the
window STOPs. The fuse will not blow.
Last edited by L84sky; Nov 28, 2020 at 8:46 AM.
My driver's door window became erratic so I removed the door panel to troubleshoot.
That exposed the master switch connector
I used two jumper wires to manually drive the window up and down so there was nothing wrong with the regulator or the motor.
I found a $25 replacement switch online.
The new switch has been working flawlessly.
Thread
Thread Starter
Forum
Replies
Last Post
jsharp007
Tahoe & Suburban
7
Nov 28, 2011 1:34 AM






