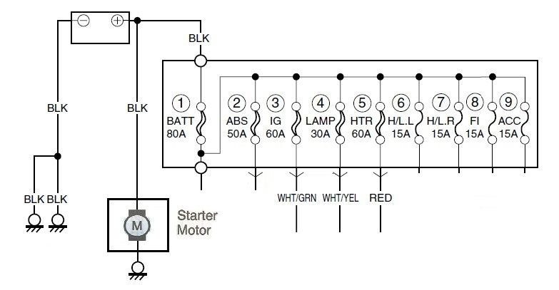
80 amp fuse
You connected the battery terminal wires backwards, didn’t you. C’mon…own it. We’ve all done boneheaded things.
Anyway… Your next stop is the junkyard. A NEW one will cost a ghastly amount.
Good luck.
Anyway… Your next stop is the junkyard. A NEW one will cost a ghastly amount.
Good luck.
Thread
Thread Starter
Forum
Replies
Last Post







